Skip to content
    • dat@atcmachinery.com
    • 08:00 - 17:00
    • 03 2929 6789
ATC MachineryATC MachineryATC Machinery
  • HOME
  • CNC Machine

    CNC MILLING

    CNC DRILLING

    CNC LATHE

    WIRE-CUT

    Máy mài phẳng Kuroda GS30-45 Series

    GRINDING CNC

    ep nhua fanuc

    INJECTION

    ROBOTS

    AUXILIARY EQUIPMENT

    SPARE PARTS

    HIGHLIGHT

    MAZAK VCE-430A L MILLING MACHINE

    The Mazak VCE-430A L vertical machining center is designed to deliver exceptional performance.
    With a stable, rigid structure and an intelligent control system, the VCE-430A L perfectly meets all machining requirements in the field of precision engineering.

    VIEW PRODUCT
  • CALIBRATION SERVICES
  • SERVICE
    • CNC MACHINE REPAIR
    • CNC MACHINE USER MANUAL
    • UPGRADE CNC CONTROLLERS
    • CNC CONSIGNMENT, OPERATING AND SALES
  • DOCUMENTS

    MAZAK DOCUMENTS

    FANUC DOCUMENTS

    MÁY TIỆN MZ L400F

    MZ DOCUMENTS

    Máy mài phẳng Kuroda GS30-45 Series

    KURODA DOCUMENTS

    atc-machinery-dai-ly-phan-phoi-chinh-hang-may-tien-cnc-may-phay-cnc-nhap-khau

    ATC MACHINERY’s technical department is staffed with a team of highly experienced experts who possess in-depth knowledge of industrial machinery. With many years of operation, we consistently ensure superior technical quality, supporting customers in optimizing operations and improving production efficiency.

    ATC HOTLINE – 03.2929.6789
  • CONTACT
  • English
    • Vietnamese
  • REQUEST A QUOTE
  • English English
    • Tiếng Việt Tiếng Việt
    • English English

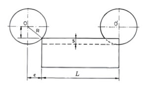
cong-thuc-tinh-thoi-gian-gia-cong-co-ban (2)

Published 03/06/2024 at 1488 × 936 in cong-thuc-tinh-thoi-gian-gia-cong-co-ban (2)
cong-thuc-tinh-thoi-gian-gia-cong-co-ban (2) 3
Both comments and trackbacks are currently closed.
← Previous
Next →
CÔNG TY TNHH MÁY CÔNG CỤ ATC

ATC MACHINERY

ATC MACHINERY CO., LTD

  • HCM Showroom : 55/4E Tien Lan 1, Ba Diem, HCMC
  • HN Showroom : Km 6, Bac Thang Long - Noi Bai Road, Phuc Thinh Ward, Ha Noi
  • Hotline: 03 2929 6789
  • WhatsApp/Line: +84901396540
  • Website: https://atcmachinery.com

DMCA.com Protection Status

ATC on social media

About us

Introduction
Company profile
Contact us
Careers
News

Policies

Warranty policy
Payment policy
Return & Refund Policy
Sales Commision Policy
Privacy policy
Designed by 176.vn
Copyright 2026 © ATC Machinery Co., Ltd
  • Home page
  • CNC milling machine
  • Drilling machine
  • CNC Lathe
  • Grinding machine
  • Plastic injection machine
  • Accessories
  • Service
    • CNC Machine Repair
    • CNC Machine User Manual
    • OS upgrade
    • Consignment, operation and trade of CNC machines
  • CALIBRATION SERVICES
  • Contact
  • REQUEST A QUOTE

    REQUEST A QUOTE

    Products need a quote *

    Company name: *

    Address: *

    First and last name: *

    Email: *

    Phone number: *

    Content:

      REQUEST A QUOTE

      Products need a quote *

      Company name: *

      Address: *

      First and last name: *

      Email: *

      Phone number: *

      Content:

      Login

      Lost your password?